460A 仿真耳
460A
IEC60318仿真耳
- 介绍
460A型仿真耳是专为听力测定和相关领域设计研发的,可以为电声测量提供很好的声学环境,可测试入耳式耳机和头戴式耳机,其良好的声学环境为产品的不同设计比较和重复性测量提供了重要的保障。
图1 460A
460A型仿真耳包含一个声学耦合腔,此主要耦合腔包含了一个转接座,来连接SoundFree公司的压力场麦克风。
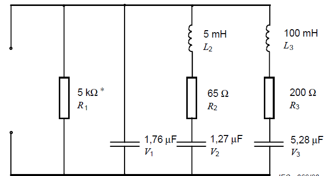
460A 型仿真耳完全符合IEC60318的标准,耦合腔的声阻抗跟人耳的声阻抗基本一致。仿真耳的耦合腔包含三个体积(V1 = 2.5cm3, V2 = 1.8cm3 and V3 = 7.5cm3),三个体积通过窄环形切口和并行的四个孔贯穿连接并提供了高信噪比。
![]()
2. 技术指标
标准
1)IEC 60318-1 (1998-07) : Electroacoustics– Simulators of human head and ear, Part 1 : Ear simulator for the calibration of supra-aural earphones
2)ITU-T Recommendation P.57 (08/96)“Series P: Telephone transmission quality, Objective measuring apparatus : Artificial ears
附件
½ 英寸压力场麦克风: M300-2P
附件可选
ICP 供电电源 PS200
极化电压
0 V
供电电源
2-20mA
最大输出电压
4.7Vrms
运行温度范围
-20-80℃
湿度
0-98% RH
大气压力
101.3 ± 3 kPa
尺寸
77x60mm
重量
0.9kg




京公网安备 11010502040086号